

Выпуск 101. Современные мониторы
Под ред. Тюнина Н.А. и Родина А.В.
Издательство: СОЛОН-Пресс
ISBN 978-5-91359-019-0; 2007 г.
Кол-во страниц: 152
О книге:
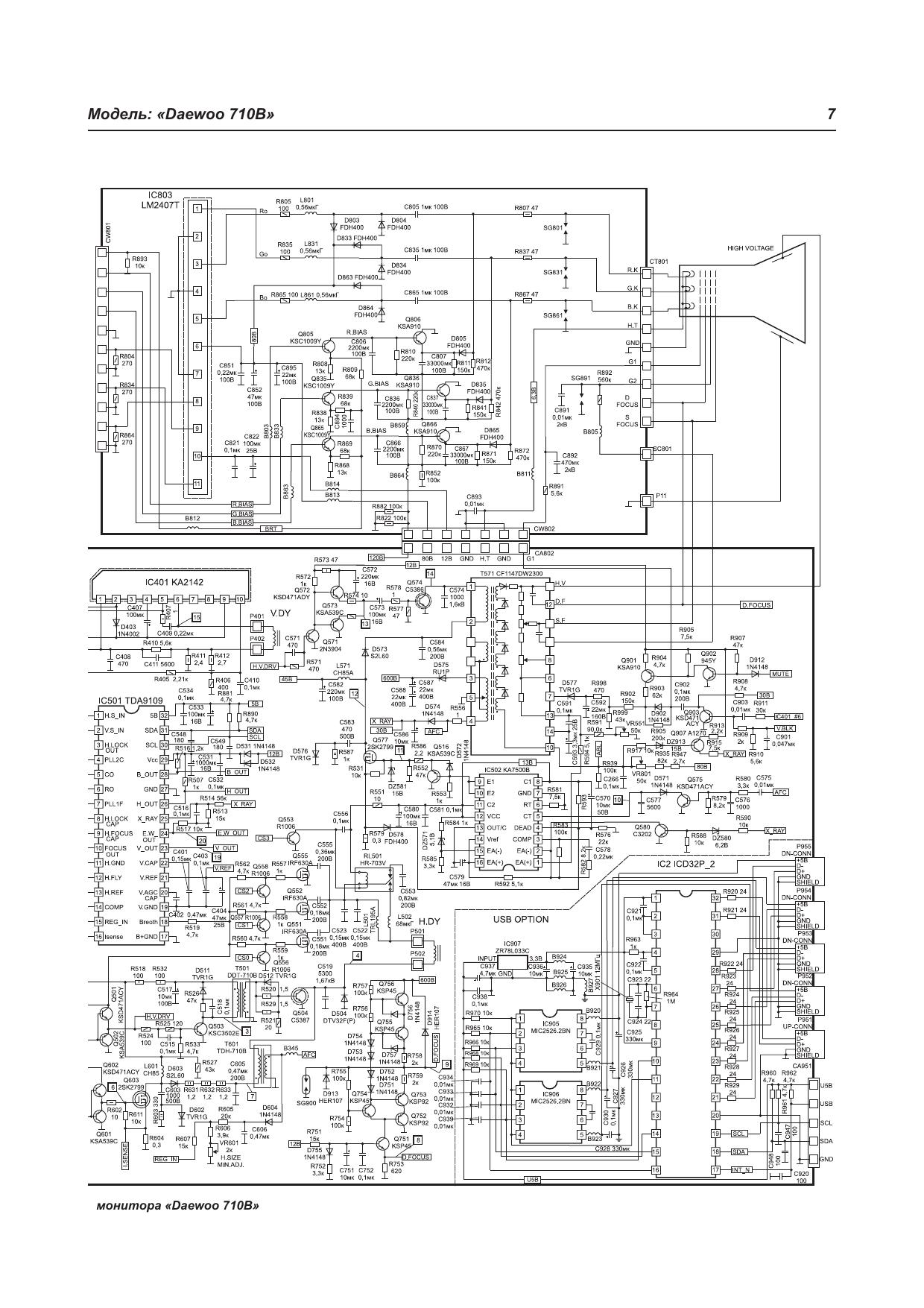
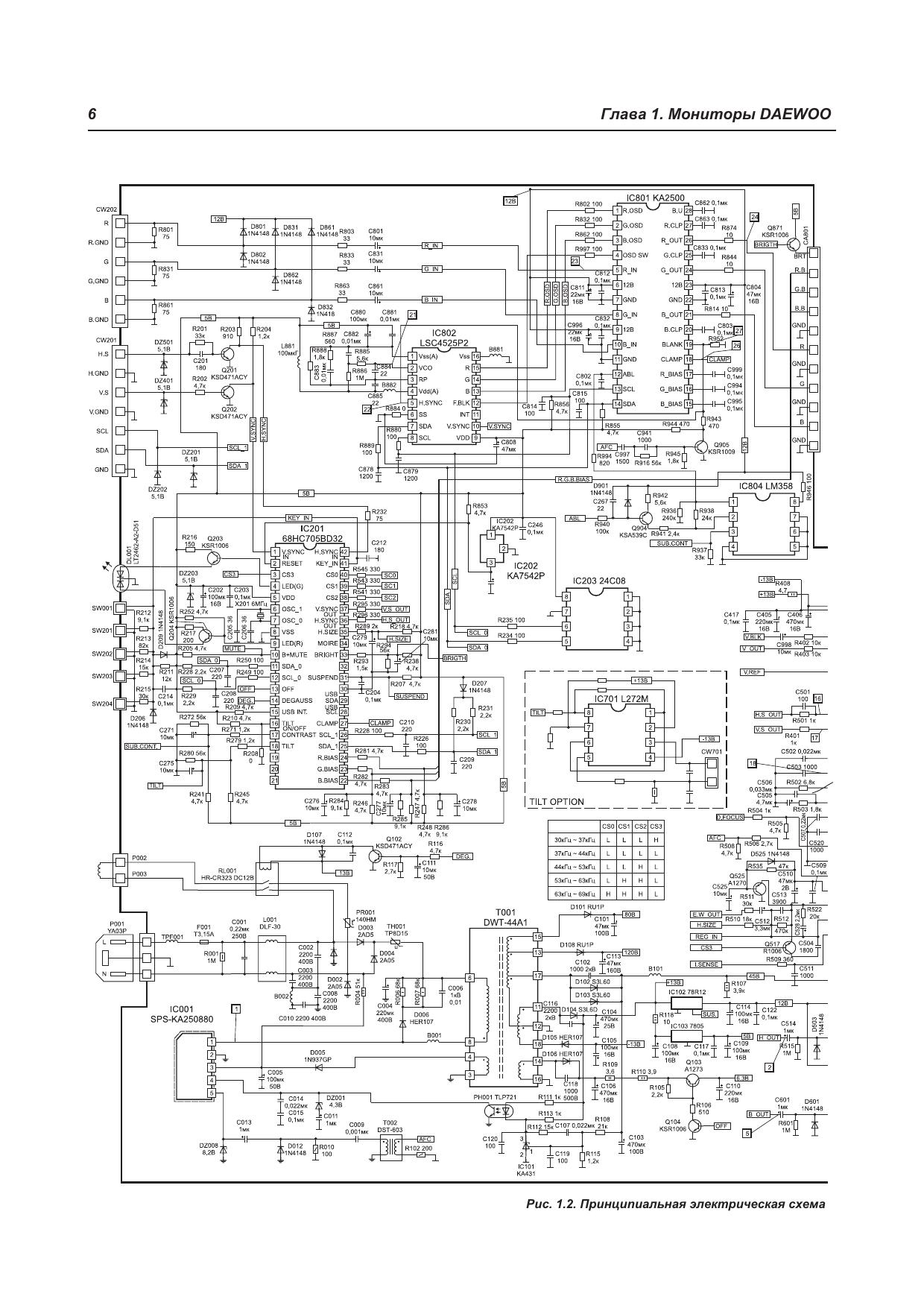
В книге рассмотрены популярные модели современных ЭЛТ и ЖК мониторов известных производителей: Daewoo, LG Electronics, Philips, Rolsen, Rover, Samsung Electronics и ViewSonic. По каждой модели приводятся принципиальная схема, подробное описание работы всех ее составных частей и, конечно, типовые неисправности и методика их поиска и устранения. Кроме того, по нескольким моделям приведена методика регулировки узлов, которая необходима после их ремонта. В приложении приводится описание SoftJig — программно-аппаратного комплекса, предназначенного для регулировки основных параметров мониторов. Кроме того, приводятся инженерные меню некоторых моделей мониторов и ремонт наиболее распространенных моделей инверторов, используемых для питания ламп подсветки ЖК панелей. Книга предназначена для специалистов, занимающихся ремонтом оргтехники, а также для радиолюбителей и обычных пользователей, интересующихся этой темой.