

Управляемая коммутация трансформатора подстанции как фактор эффективности эксплуатации электротехнического комплекса участка шахты
Авторы: Маренич О. К., Ковелёва И. В.
Издательство: Инфра-Инженерия
ISBN 978-5-9729-1434-0; 2023 г.
Кол-во страниц: 120
О книге:
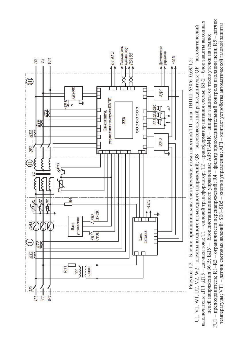
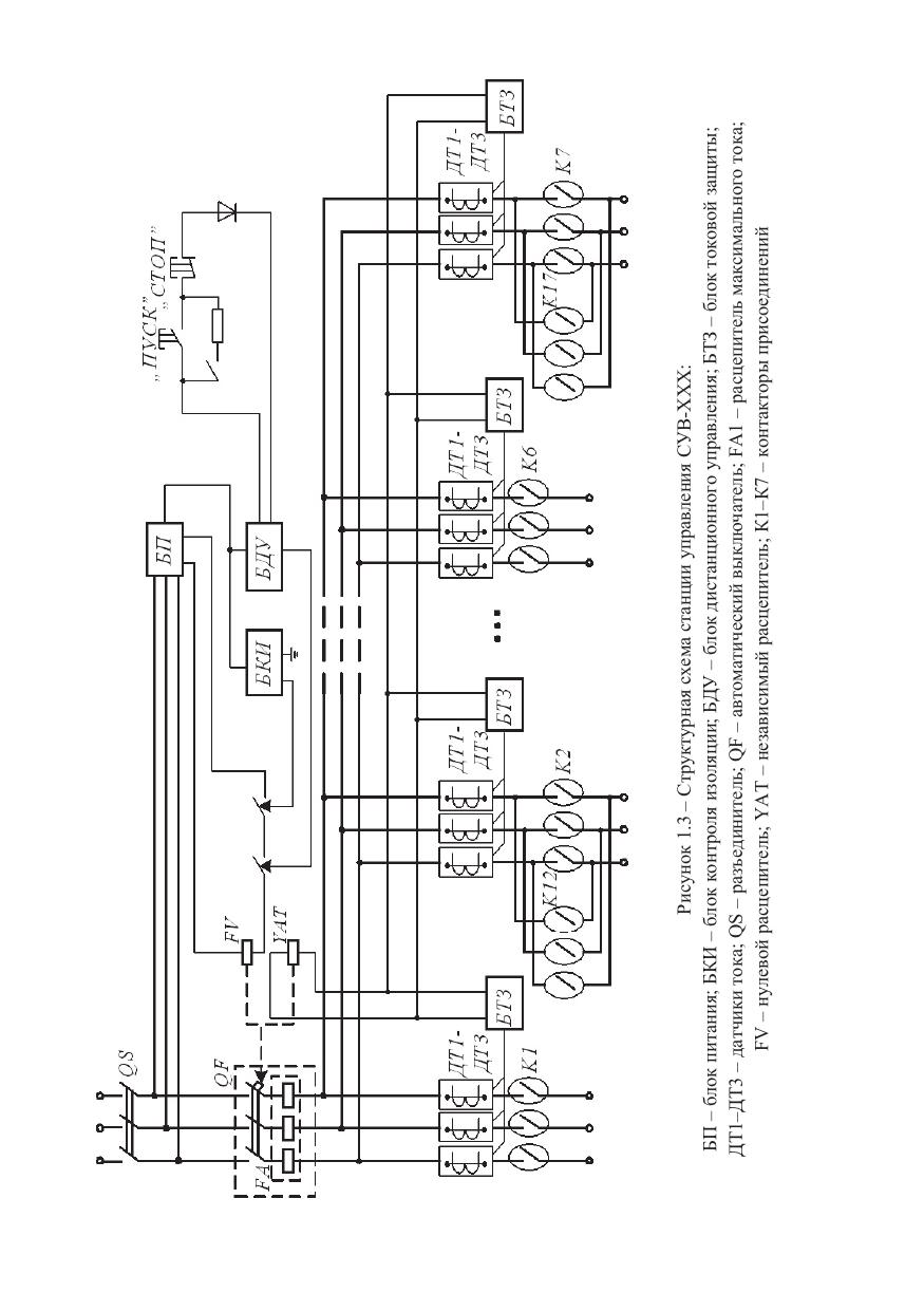
Рассмотрены актуальные вопросы повышения эффективности эксплуатации шахтных участковых электротехнических комплексов на основе научного обоснования и практической реализации методов, алгоритмов и структуры технических устройств управления коммутационными процессами в силовой цепи трансформатора комплектной подстанции участка шахты при отключении коротких замыканий и стабилизации напряжения питания потребителя в сети, создающей значительные по величине потери напряжения.
Для специалистов в области разработки и эксплуатации электрооборудования и средств автоматизации угольных шахт, студентов и аспирантов профильных специальностей и направлений подготовки.