

Выпуск 112. Автомобильные и стационарные аудиосистемы
Выпуск 112. Автомобильные и стационарные аудиосистемы
Под ред. Тюнина Н.А. и Родина А.В.
Издательство: СОЛОН-Пресс
ISBN 978-5-91359-048-0; 2009 г.
Кол-во страниц: 112
О книге:
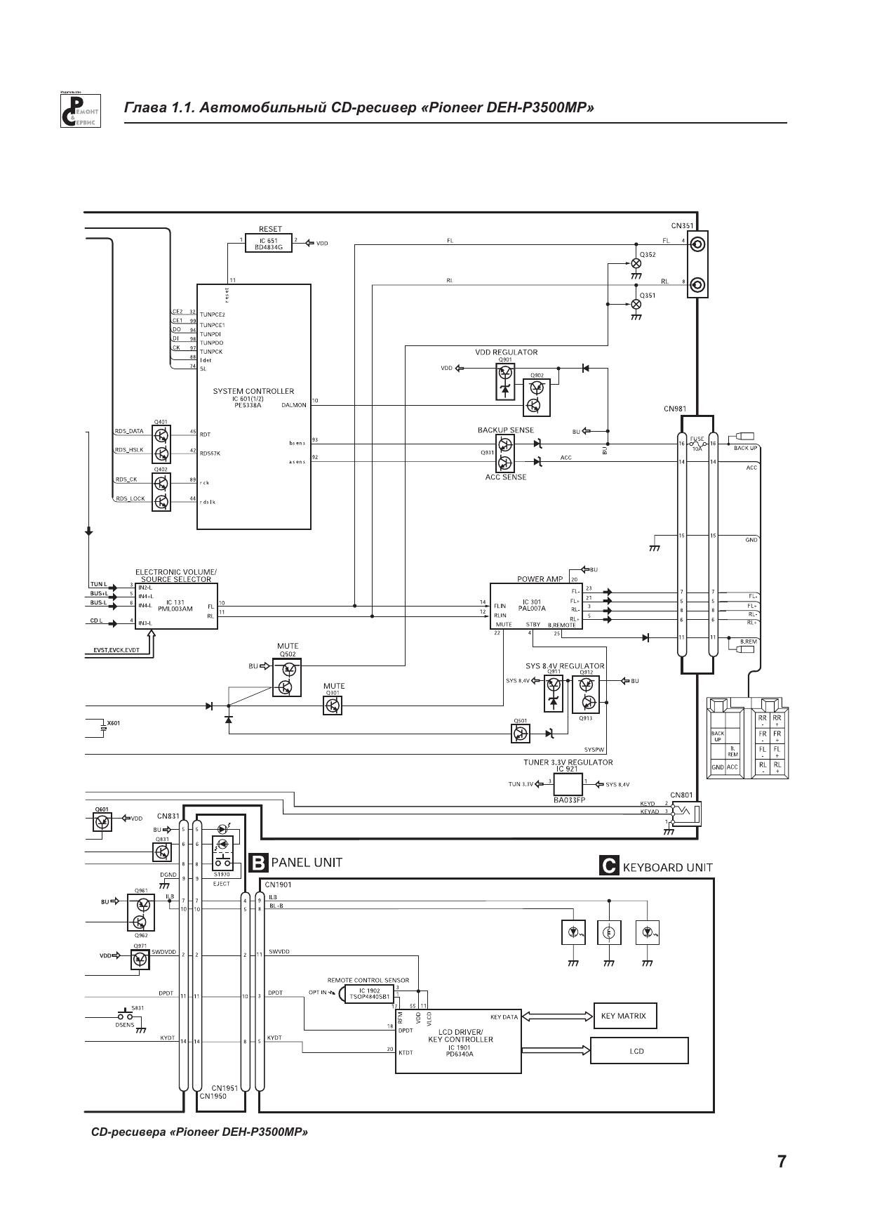
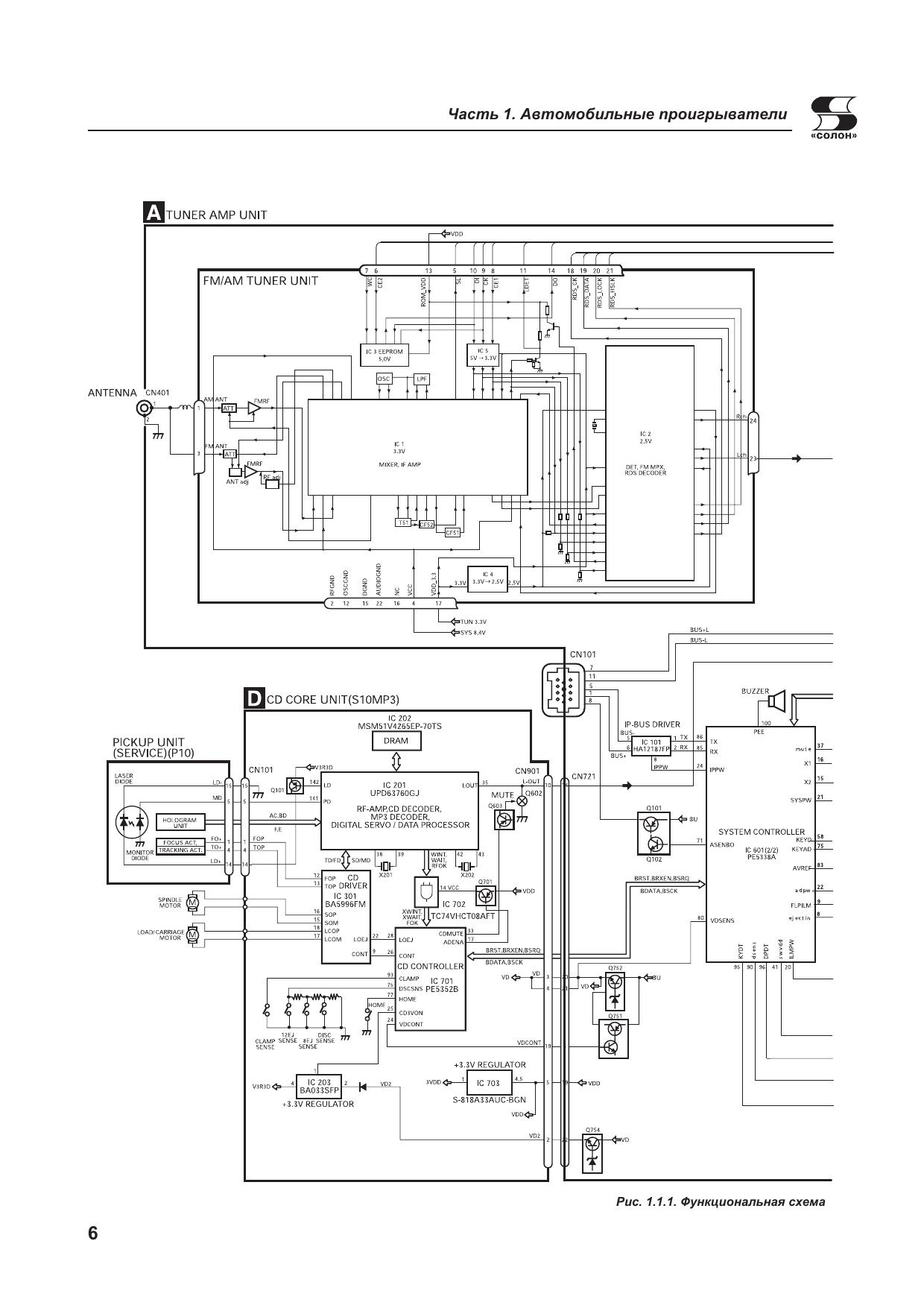
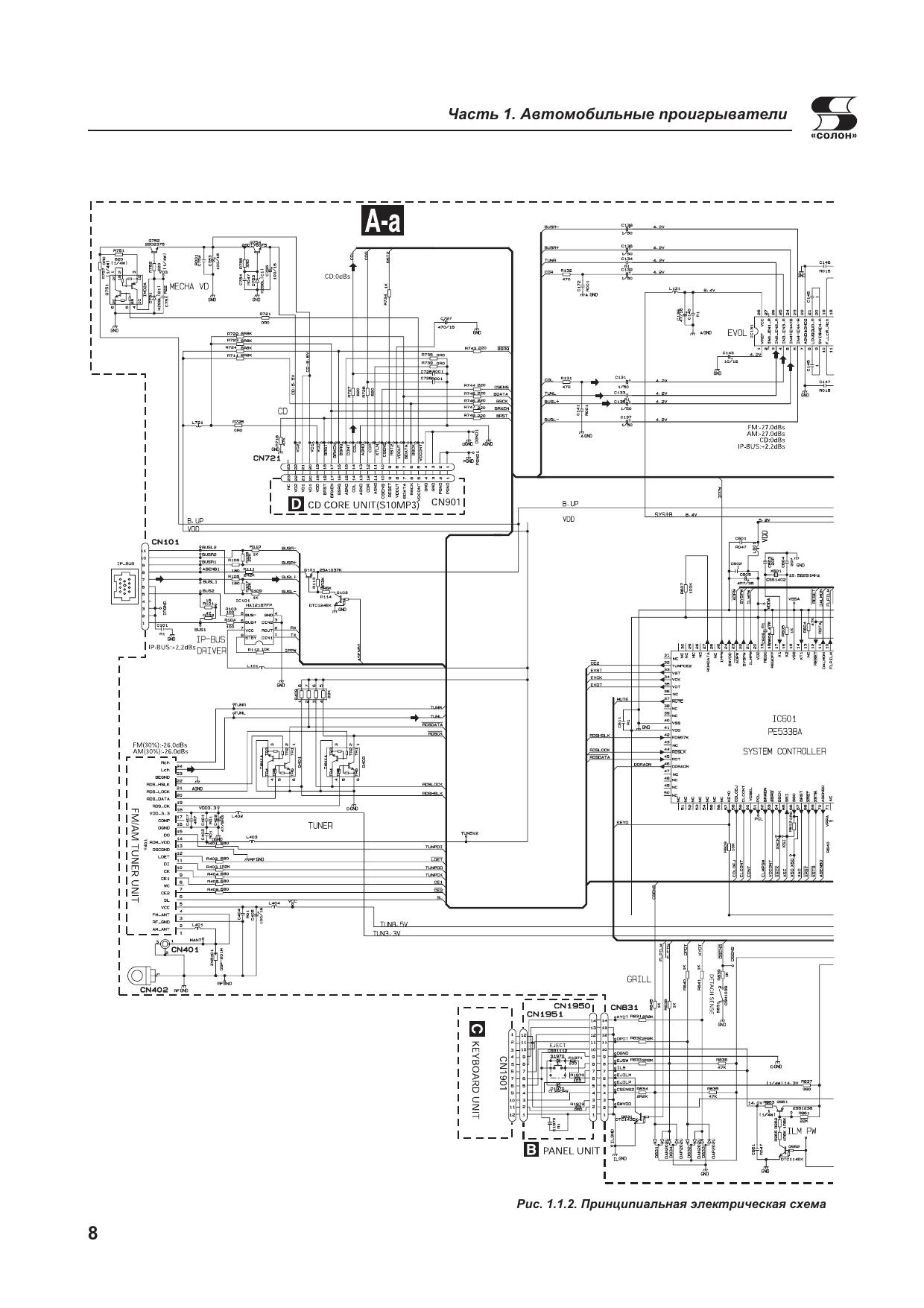
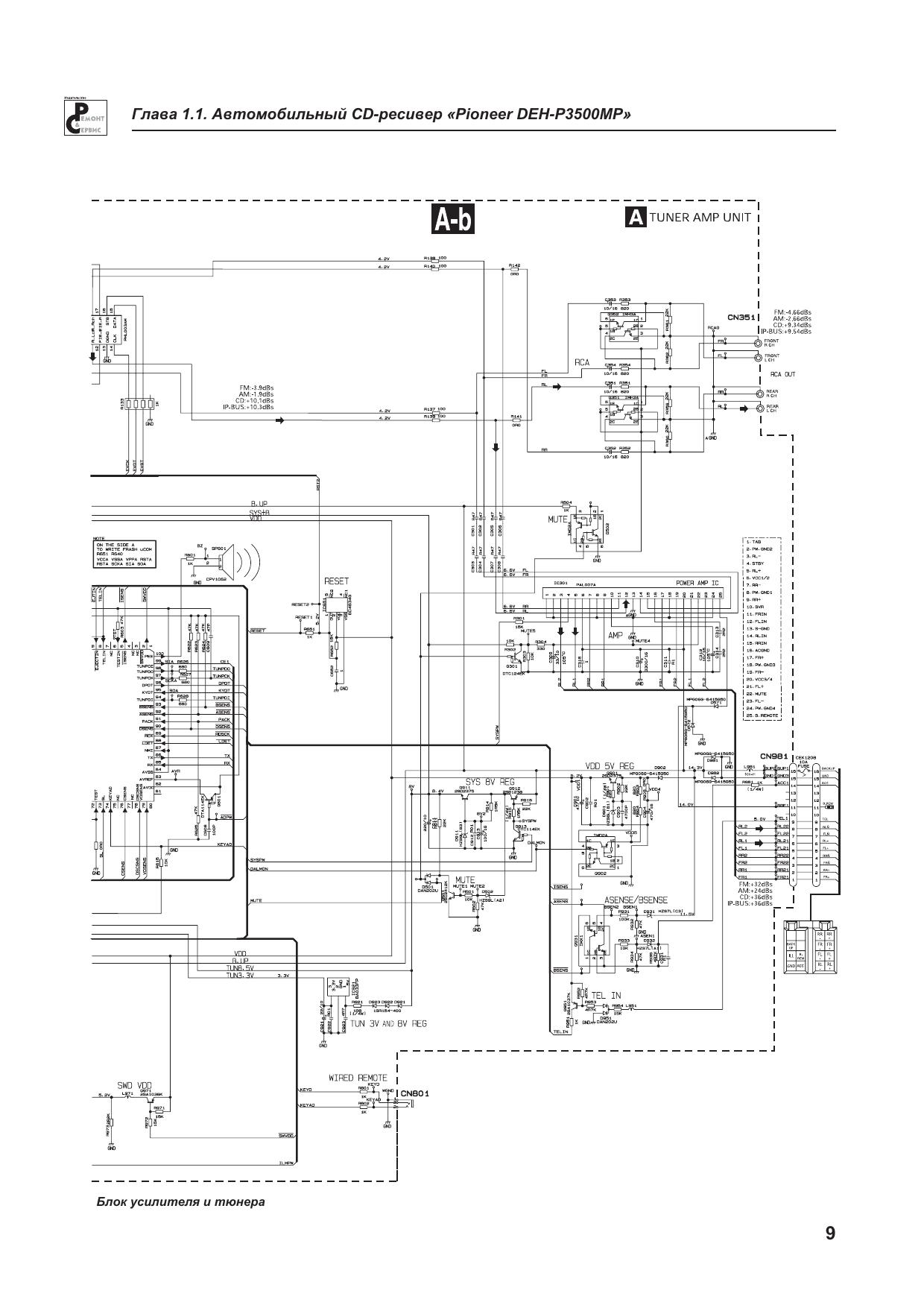
В книге рассмотрены 4 базовых модели автомобильных СD-ресиверов и более 12 их модификаций, а также 8 стационарных аудиосистем таких брендов, как: JVC, KENWOOD, PIONEER, PHILIPS, SONY. В ней впервые описываются представители таких классов аудиотехники, как: автомобильные CD-ресиверы, а также стационарные аудиомикросистемы и AV-ресиверы. По каждой модели приводятся конструктивные особенности, краткое описание работы, порядок регулировки, а также типовые неисправности и методика их устранения. При подготовке этого издания использовались публикации в журнале «Ремонт&Сервис» за 2007—2008 гг. Книга предназначена для специалистов по ремонту аудиотехники, а также для читателей, имеющие базовые знания и необходимые практические навыки в этой области.