

Повышение срока службы чугунных деталей гидроцилиндров
Авторы: Веселовский А.А.
Издательство: Инфра-Инженерия
ISBN 978-5-9729-0289-7; 2019 г.
Кол-во страниц: 140
О книге:
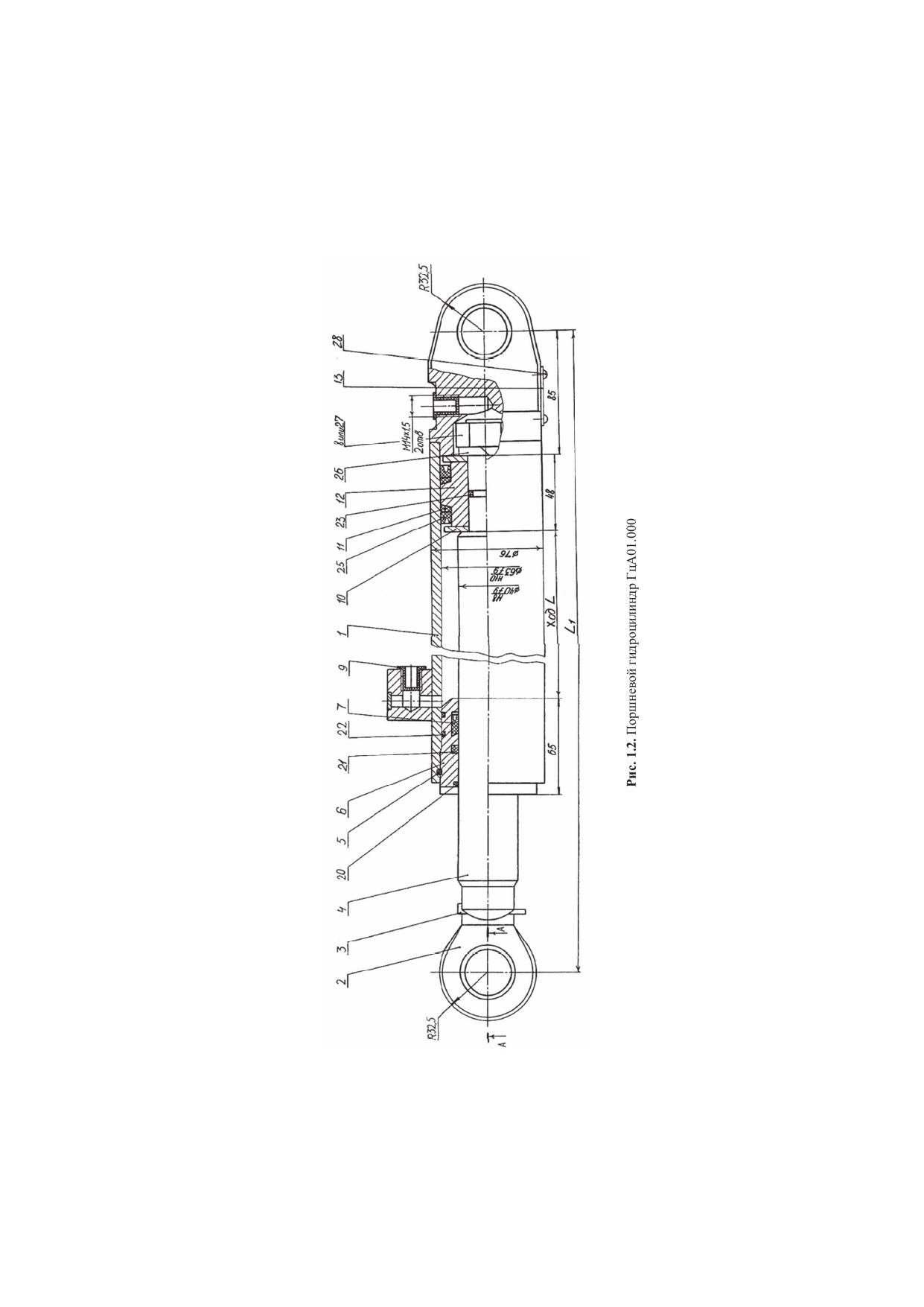
Рассматривается новый способ повышения срока службы направляющих для телескопических гидроцилиндров, сквозных втулок и поршней для одноступенчатых гидроцилиндров, изготовляемых из чугуна СЧ 20. Работоспособность чугунных деталей повышается за счет термодиффузионного упрочнения алюминием и ванадием из порошковой среды контактным способом.
Проанализированы структуры алюмованадированных слоев в зависимости от содержания в шихте алюминия. Представлены результаты фазового и микрорентгеноспектрального анализов. Приведены результаты исследований кинетики формирования алюмованадированных слоев и испытаний на износ в различных условиях истирания и коррозионную стойкость.
Книга предназначена для студентов машиностроительных специальностей высших учебных заведений, аспирантов и инженерно-технических работников, занимающихся вопросами повышения ресурса работы деталей машин и механизмов.