

Устройства силовой электроники и преобразовательной техники с разомкнутыми и замкнутыми системами управления в среде Matlab — Simulink
Авторы: Фролов В. Я., Смородинов В. В.
Издательство: ЛАНЬ
Издание: 2-е изд., стер.
ISBN 978-5-8114-2583-9; 2022 г.
Кол-во страниц: 332
О книге:
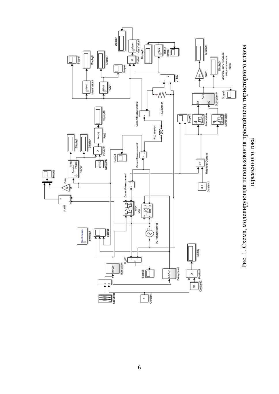
Данное пособие охватывает вопросы, посвященные применению программной среды Matlab для решения задач курсов: «Полупроводниковые преобразователи энергии», «Силовая электроника», «Промышленная электроника», «Электротехника и основы электроники», «Электрические и электронные аппараты». Пособие знакомит студентов с общими основами применения программы Matlab для моделирования устройств преобразовательной техники и получения навыков, основами их теории и анализом. Детально рассмотрены принципы создания и выполнения виртуальных лабораторных работ на базе пакета Simulink. Методы моделирования электрических схем устройств преобразовательной техники снабжены наглядными примерами. Приведены примеры лабораторных работ, позволяющие самостоятельно студентам выполнять задания. Учебное пособие предназначено для бакалавров и магистров всех форм обучения, обучающихся по направлениям «Электроэнергетика и электротехника», «Энергетическое машиностроение». Также может быть полезно аспирантам и специалистам, занимающимся вопросами устройств силовой электроники и преобразовательной техники.