

Портативные ЖК телевизоры. Устройство и ремонт
Авторы: Тюнин Н.А.
Издательство: СОЛОН-Пресс
ISBN 978-5-91359-046-6; 2010 г.
Кол-во страниц: 132
О книге:
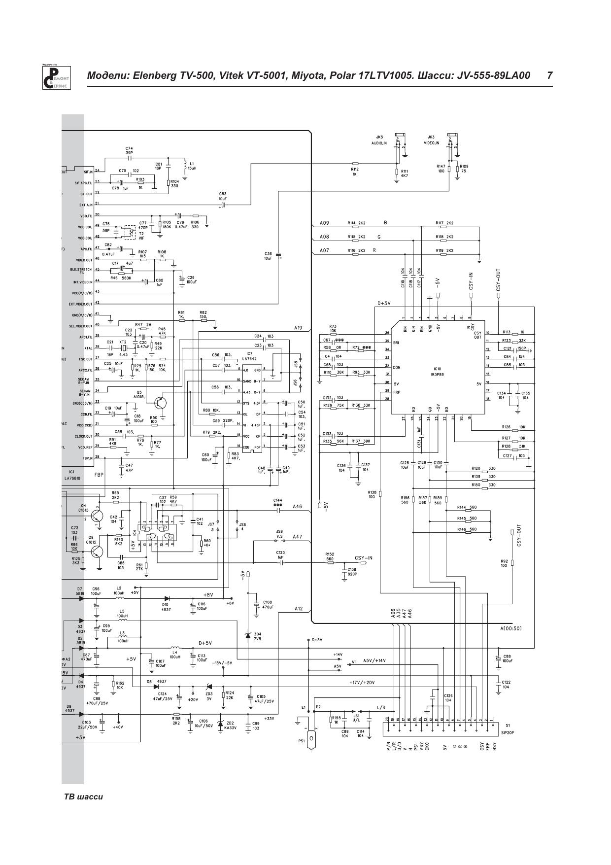
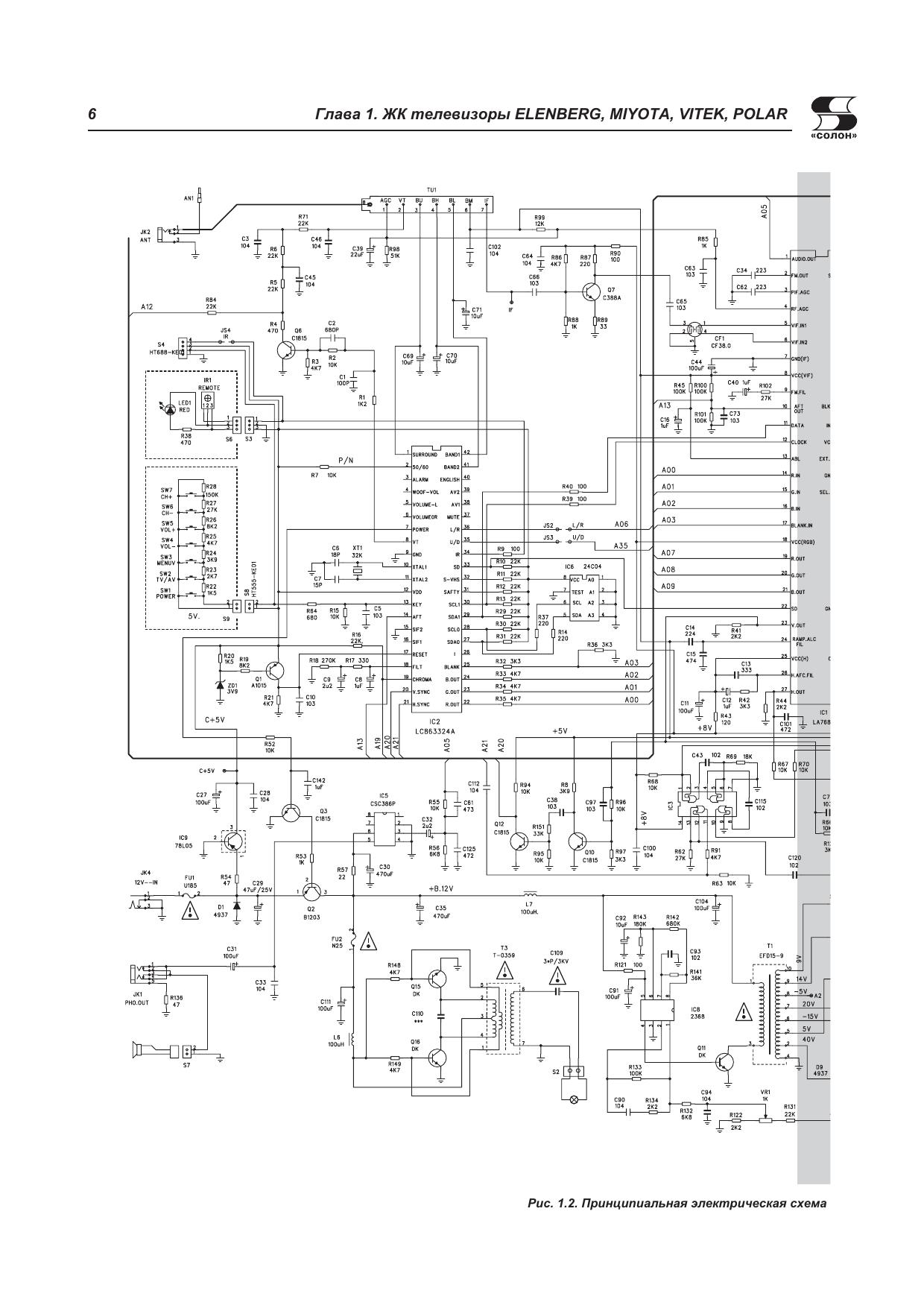
В очередной книге популярной серии описаны современные портативные ЖК телевизоры различных производителей, выпускаемые под марками AKAI, ELENBERG, HYUNDAI, MIYOTA, SITRONICS, SHARP, POLAR, PREMIERA, PROLOGY, PHANTOM, VITEK, VIDEOVOX.Рассмотрены семь телевизионных шасси, на которых производятся ЖК телевизоры с диагоналями экрана от 5 до 10 дюймов. По каждой модели приводятся принципиальная схема, подробное описание работы всех ее составных частей и порядок регулировки узлов.Важной частью книги является приложение, в котором приведено 12 принципиальных схем портативных ЖК телевизоров, не описанных в книге.Практическая ценность книги определяется подробным описанием типовых неисправностей и описанием методики их поиска и устранения.Книга предназначена для широкого круга специалистов, занимающихся ремонтом телевизионной техники, а также для радиолюбителей, интересующихся этой темой.