

Электронная лаборатория на IBM PC. Программа Electronics Workbench и ее применение
Авторы: Карлащук В.И.
Издательство: СОЛОН-Пресс
Издание: 3-е
ISBN 5-98003-020-4 ; 2008 г.
Кол-во страниц: 736
О книге:
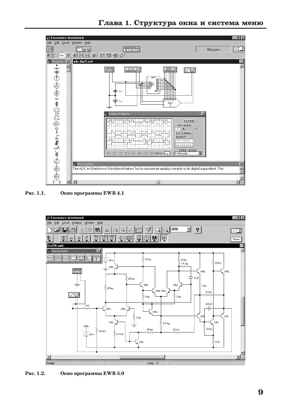
Книга посвящена применению программы Electronics Workbench фирмы Interactive Image Technologies (Канада) для схемотехнического моделирования аналоговых и цифровых радиоэлектронных устройств различного назначения, представленных большим количеством практических схем, что делает книгу своеобразным справочным пособием. Она может быть использована в технических учебных заведениях при проведении лабораторных работ по основам электротехники, электроники, вычислительной техники и автоматики. Книга может быть также полезной для радиолюбителей, инженеров-разработчиков и студентов вузов.В третьем издании книги учтены замечания и пожелания читателей, а также неточности, выявленные в результате ее использования в качестве учебного пособия в Российском университете дружбы народов (РУДН) по курсам «Технические средства систем управления», «Электромеханические системы», «Теоретические основы электротехники» и «Электротехника и электроника». С учетом пожеланий читателей к книге прилагается дискета с архивом схемных файлов (разд. 1.4 Приложения 1).