

Выпуск 81. Практика ремонта сотовых телефонов
Под ред. Тюнина Н.А. и Родина А.В.
Издательство: СОЛОН-Пресс
ISBN 5-902197-04-X; 2005 г.
Кол-во страниц: 132
О книге:
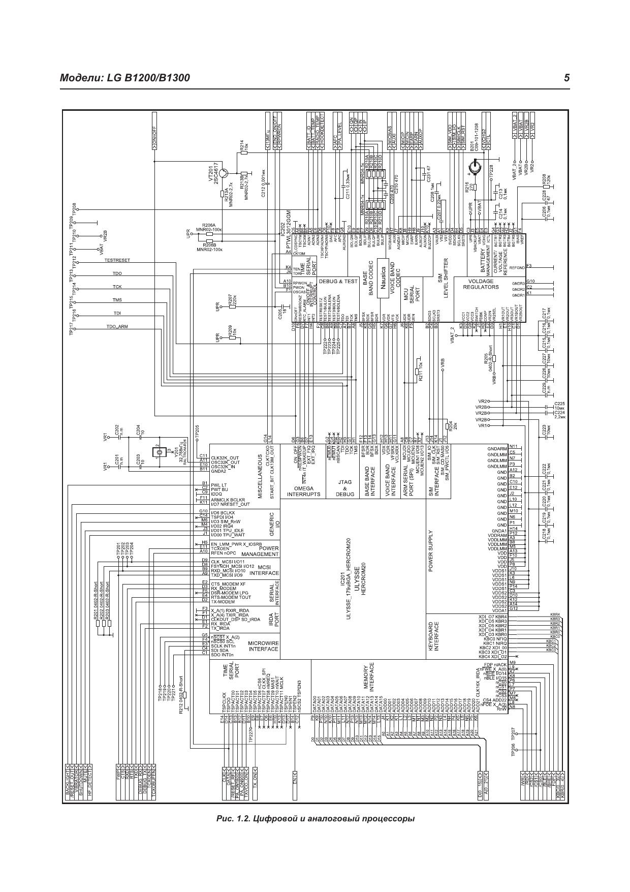
В книге рассмотрены популярные модели сотовых телефонов 1998—2003 г.г. выпуска известных производителей: LG ELECTRONICS, MOTOROLA, NOKIA, SAMSUNG ELECTRONICS. Всего рассматривается 10 платформ, на которых производится большое количество моделей различного класса. По каждой модели приводятся принципиальная схема, топология печатных плат с указанием контрольных точек, типовые неисправности и методика их поиска и устранения. В приложении приводятся несколько схем сотовых телефонов и сервисные коды GSM-телефонов. Книга предназначена для специалистов, занимающихся ремонтом сотовых телефонов, а также для радиолюбителей, интересующихся этой темой.