

Выпуск 110. Телевизоры Philips
Под ред. Тюнина Н.А. и Родина А.В.
Издательство: СОЛОН-Пресс
ISBN 978-5-91359-036-7; 2008 г.
Кол-во страниц: 144
О книге:
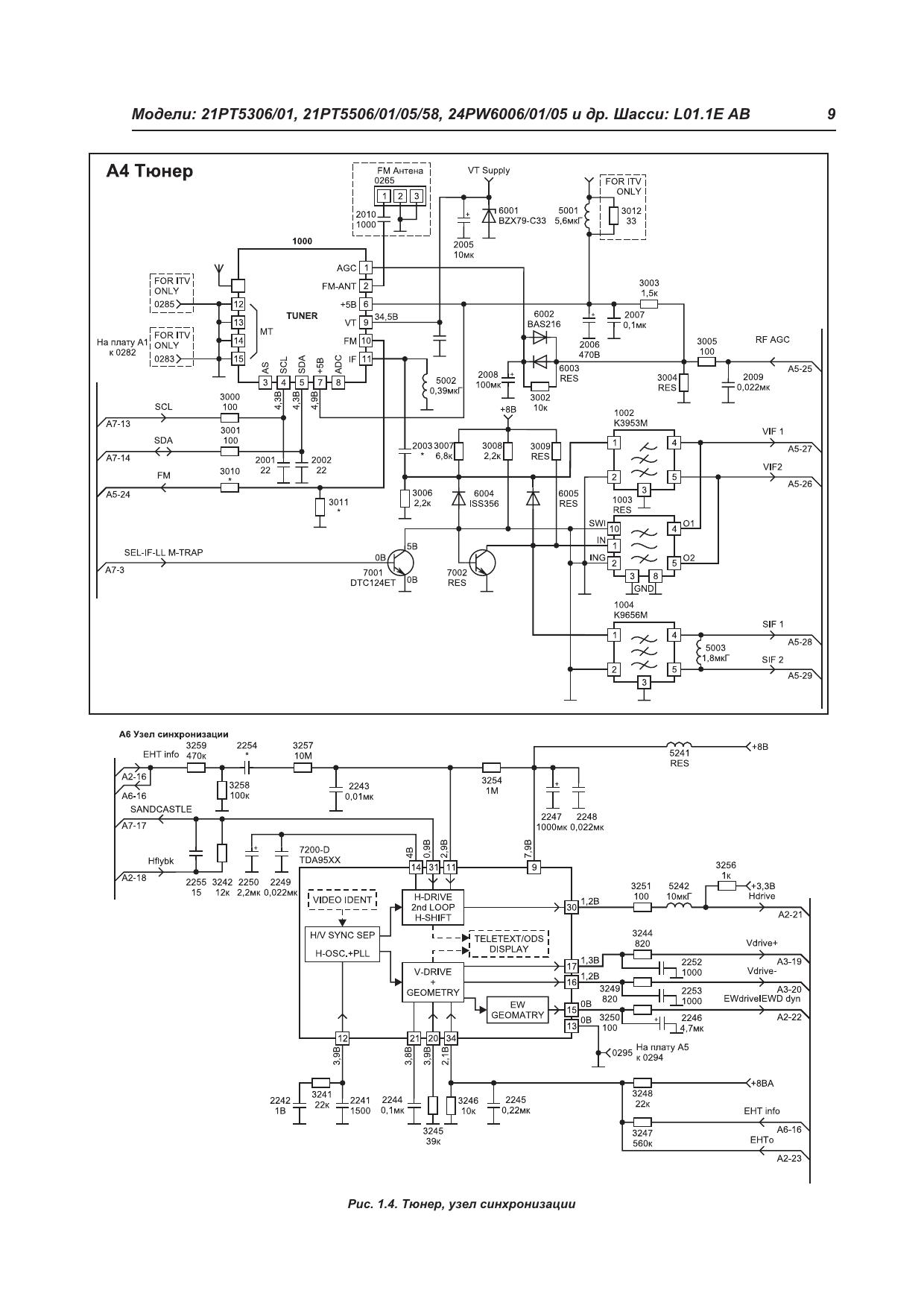
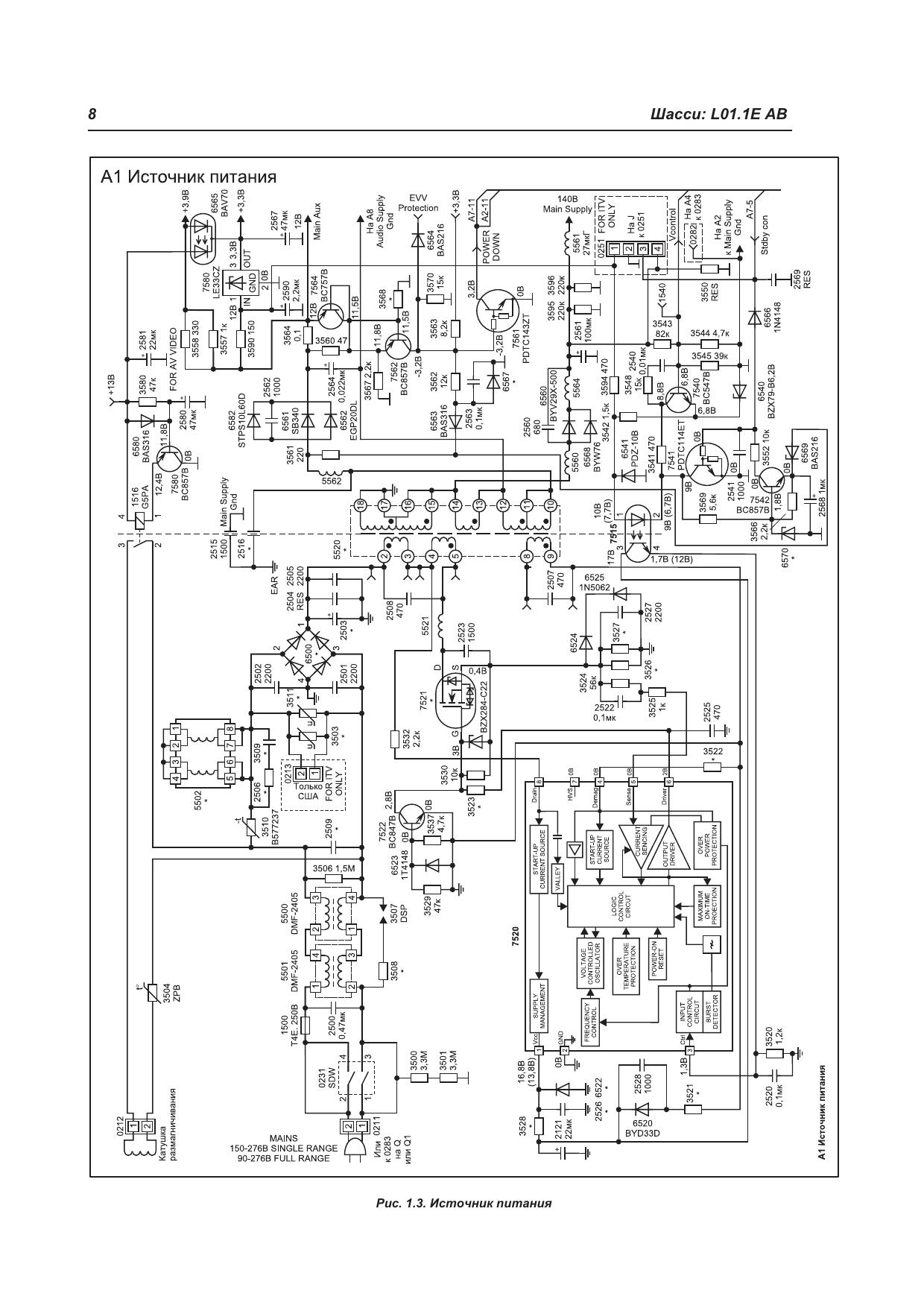
В очередной книге популярной серии описаны самые популярные модели современных телевизоров компании Philips производства 2000—2005 гг. Рассмотрены шесть телевизионных шасси, в том числе, и шасси LC13E AA для ЖК телевизоров. На этих шасси производятся более 60 моделей телевизоров с диагоналями экрана (кинескопа или ЖК панели) от 13 до 32 дюймов. По каждой модели приводятся блок-схема, принципиальная схема, осциллограммы сигналов в контрольных точках, подробно описывается работа всех ее составных частей, порядок регулировки шасси в сервисном режиме. Практическая ценность книги определяется подробным описанием типовых неисправностей и описанием методики их поиска и устранения. Книга предназначена для широкого круга специалистов, занимающихся ремонтом телевизионной техники, а также для радиолюбителей, интересующихся этой темой. При подготовке книги использовались материалы журнала «Ремонт & Сервис» за 2002—2007 гг.