

Периферийные интегрированные контроллеры в радиоэлектронных средствах. Лабораторный практикум
Авторы: Широков И. Б.
Издательство: ЛАНЬ
ISBN 978-5-507-51541-7; 2025 г.
Кол-во страниц: 96
О книге:
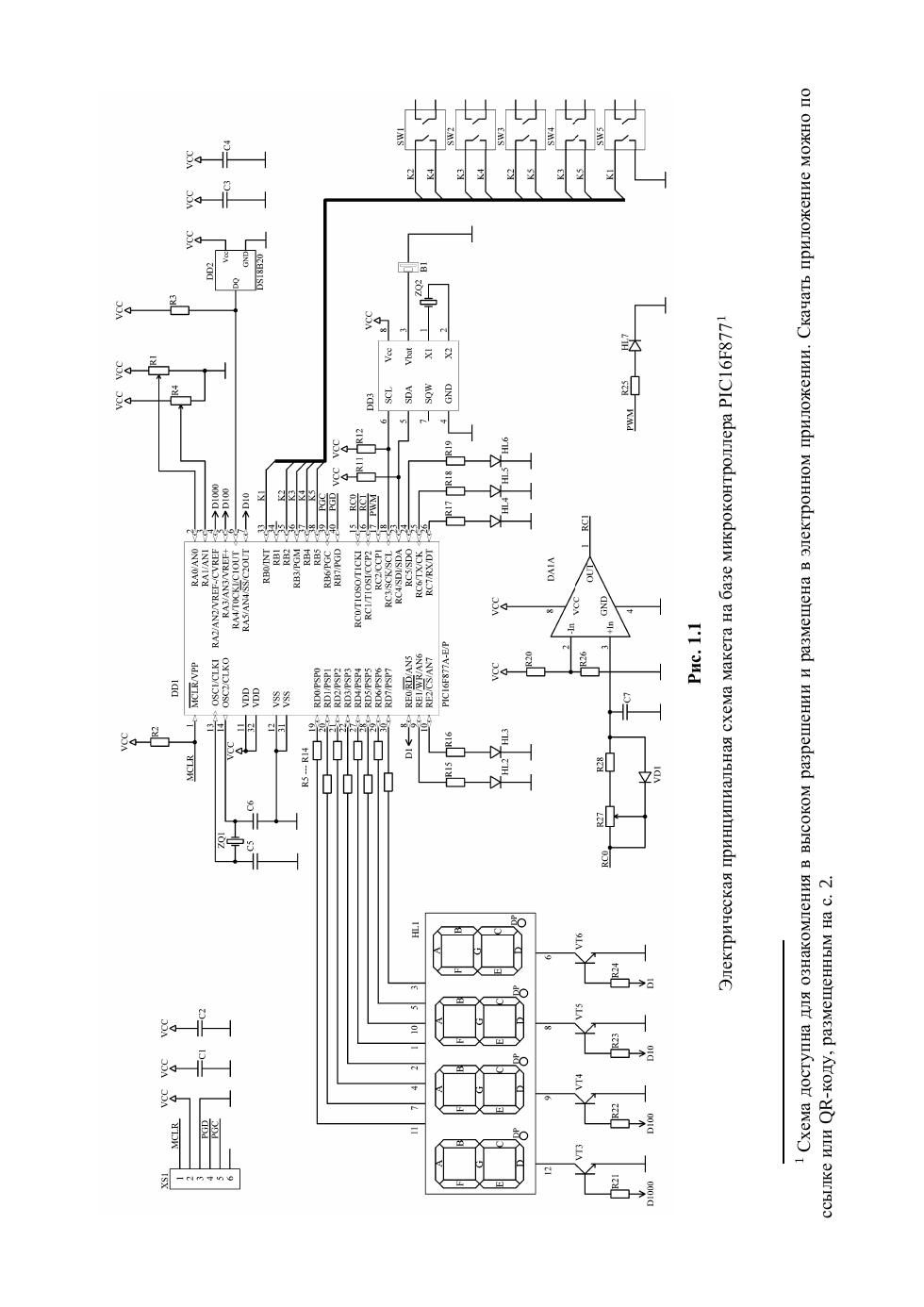
Пособие предназначено для оказания помощи обучающимся радиотехнических специальностей высших учебных заведений в подготовке и проведении лабораторного практикума по дисциплине «Периферийные интегрированные контроллеры в радиоэлектронных средствах», а также в получении ими теоретических знаний и практических навыков программирования микроконтроллеров. Лабораторный практикум организован на базе периферийного интегрированного контроллера PIC16F877 фирмы Micrichip с применением бесплатного программного продукта MPLAB этой фирмы. К книге прилагаются дополнительные материалы, доступные в электронной библиотечной системе «Лань» по ссылке или QR-коду, указанным ниже.