

Микросхемы для современных импортных телевизоров — 4.
Серия: Энциклопедия ремонта
Издательство: Додэка-XXI
ISBN 978-5-94120-064-1; 2010 г.
Кол-во страниц: 288
О книге:
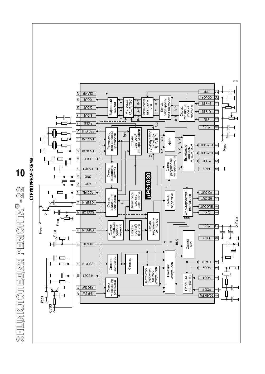
Данный выпуск продолжает серию справочников «Энциклопедия ремонта» и является четвертой книгой, посвященной микросхемам для современных зарубежных телевизоров. Приводятся структурные схемы, назначения выводов и цоколевки болеетрехсот популярных микросхем, нашедших применение в цветных телевизорах производства стран Европы и Азии. В книге приведены микросхемы следующих фирм: «Fairchild», «Hitachi», «Holtek», «HMI», «Infineon», «ITT», «Mitsubishi», «Motorola»,«Mitsumi», «NEC», «NJR», «NS», «Panasonic», «Philips», «Power Integrations», «Rohm», «Sanken», «Sanyo», «SGS Thomson», «Sharp», «Siemens», «Sony», «Toshiba», «Zilog». Издание рассчитано на работников сервисных служб, а также на радиолюбителей, самостоятельно занимающихся ремонтом зарубежной электронной техники.